Document
Document
  • Related documents Related
  • Full details Details
  • Report document? Report?
?

Use the data export button to extract customised data sets from the Ship Plan and Survey Report Collection. Available in TSV and CSV formats.

Date recorded as the time of writing.

Date of document

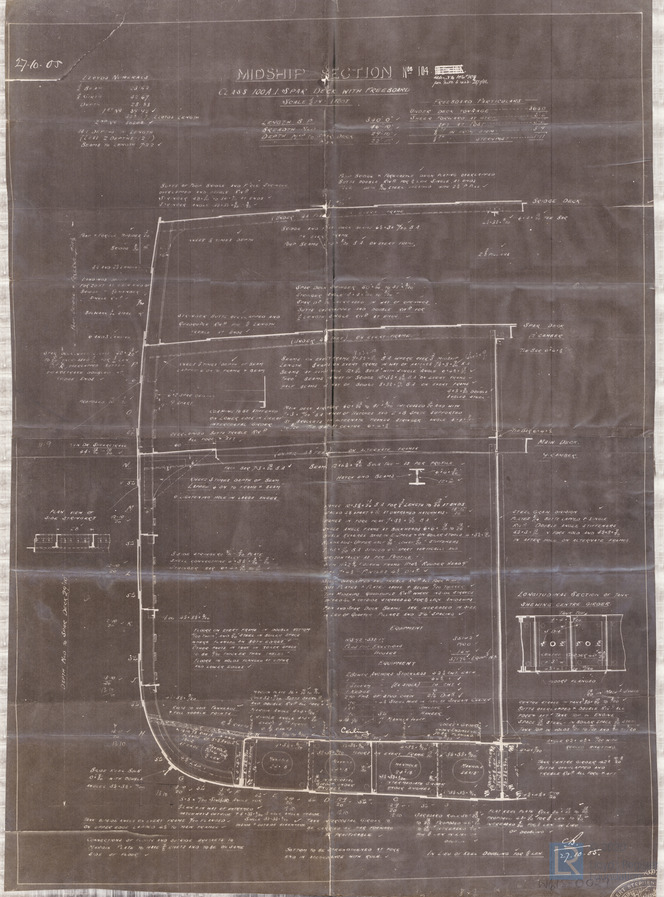
__/10/1905

The year in which a vessel’s construction is completed.

Year of ship completion

1907

The individual and/or organisation listed as having been responsible for constructing the vessel. This can/may be the same as the owner and/or manager.

Shipbuilder

Robert Stephenson & Co Ltd

The port or place in which the vessel’s construction took place, at the time of writing.

Place of build

Newcastle

Records that constitute Lloyd’s Register’s first official encounters with a specific vessel, e.g. a survey report.

First entry?

N

Location where the document is written.

Location of Document Creation

Hebburn on Tyne

Predominant material(s) utilised in a vessel’s construction.

Material of construction

Steel

Confirmation as to whether the vessel was equipped with refrigeration machinery to aid in the transport of frozen or chilled cargo/goods.

Refrigeration machinery fitted for cargo purposes?

No

Does the vessel possess an auxiliary power source?

Auxillary

No

Is electric lighting fitted to the vessel?

Electric light fitted?

No

The official record pronounced by the Committee

Loss or disposal

Broken up

Vessel’s place of loss or disposal/last known recorded location.

Place of ship loss

Genoa

Recorded date for the vessel’s loss or disposal.

Date of loss, disposal or incident

21/08/1933

Name of ship as recorded on the record

Ship name

Cleopatra

The process of transferring a vessel to water, but not necessarily her completion.

Launch Date

01/12/1906

Unique identifier for a given ship, it is assigned by a builder.

Yard no

104

Official administrative title (often printed) of a record used by Lloyd’s Register or external organisations.

Document identity

Half Midship Section

Name of the individual/entity/organisation responsible for authoring the record

Document author

Robert Stephenson & Co Ltd

A vessel’s means of propulsion.

Propulsion

Steam

Is the steamer assisted by sail?

Sail assisted steamer

No

Is machinery fitted at the aft of the vessel?

Machinery aft?

No

Generally a smaller additional auxiliary boiler (often used while the vessel is at port).

Is a donkey boiler fitted?

No

Name of the Proving House responsible for the public testing and certification of a vessel’s anchors and/or chain cables.

Lloyd's Proving House?

No

Contextual information related to the reasons of the vessel’s loss or disposal.

Circumstances of loss or disposal

Sold to shipbreakers for Demolition & Commenced

The country or national waters where a vessel is lost/disposed of, or last recorded.

Country of loss or disposal

Italy

Physical extent of a record.

Number of parts

1

Report an issue with this document

Have you noticed missing or incorrect data or images for this document?
Please let us know and we will rectify the issue as soon as possible.